Top
Home Auswahl Elektro-Geh-Gabelhochhubwagen Modell EGV PSL

Elektro-Geh-Gabelhochhubwagen Modell EGV PSL

Pfaff - Modell EGV PSL

Elektro-Geh-Gabelhochhubwagen
Tragfähigkeit 1.000 - 1.200 kg
Gabelhöhe max. 3.500 mm

Ideal im innerbetrieblichen Einsatz, zum Transportieren und Stapeln von palettierten Lasten bei kurzen Wegen und mittlerer Auslastung.

Ausstattung und Verarbeitung
  • Multifunktionsdeichsel für eine leichte Handhabung, beim Loslassen der Deichsel wird das Fahrzeug automatisch gebremst.
  • Zuverlässige Impulssteuerung zur stufenlosen Regulierung der Fahrgeschwindigkeit.
  • Hubeinrichtung mit elektrohydraulischem Kompaktaggregat und Überlastsicherung.
  • Feinfühliges Absenken der Last durch stufenlos regulierbares Senkventil.
  • Geschweißte Mastkonstruktion aus Präzisionsprofilen, der Gabelträger ist mit wartungsfreien Führungsrollen ausgestattet.
  • Robustes Fahrgestell mit einem Antriebsrad und je zwei Last- und Stützrollen.
  • Einsatzdauer entsprechend der Batteriekapazität.
Lieferumfang: Batterie und integriertes Ladegerät.

/Yale/Flurfoerderzeuge/Gabelhochhubwagen/EGV_PSL.php
Typ Preis
Elektro-Geh-Gabelhochhubwagen Modell EGV PSL 1016 IITragkraft 1000 kg
max. Hub 1510 mm, Lastschwerpunkt 600 mm
5.373,39 EUR
Elektro-Geh-Gabelhochhubwagen Modell EGV PSL 1225 IITragkraft 1200 kg
max. Hub 2410 mm, Lastschwerpunkt 600 mm
7.102,92 EUR
Elektro-Geh-Gabelhochhubwagen Modell EGV PSL 1229 IITragkraft 1200 kg
max. Hub 2810 mm, Lastschwerpunkt 600 mm
7.233,49 EUR
Elektro-Geh-Gabelhochhubwagen Modell EGV PSL 1235 IITragkraft 1200 kg
max. Hub 3410 mm, Lastschwerpunkt 600 mm
7.624,32 EUR
Typ   EGV PSL
1016 II
EGV PSL
1020
EGV PSL
1225
EGV PSL
1229
EGV PSL
1235
Antrieb   Elektro Elektro Elektro Elektro Elektro
Bedienung   Geh Geh Geh Geh Geh
Tragfähigkeit Q kg 1.000 1.000 1.200 1.200 1.200
Lastschwerpunkt c mm 600 600 600 600 600
Radstand y mm 1.165 1.190 1.190 1.190 1.190
Gewicht kg 363 413 481 496 531
Bereifung vorn/hinten**   PUR/VG+PUR PUR/VG+PUR PUR/VG+PUR PUR/VG+PUR PUR/VG+PUR
Lenkrollen l x d mm 186x50+125x45 250x76+150x40
Lastrollen l x d mm 82 x 70 82 x 70 82 x 70 82 x 70 82 x 70
Anzahl Räder/Lastrollen (x=angetrieben)   1x+1/2 2+1x/2 2+1x/2 2+1x/2 2+1x/2
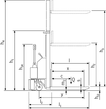
Höhe Hubgerüst eingefahren h1 mm 1.970 2.370 1.780 1.980 2.250
Freihub h2 mm 1.510 - - - 80
Hub mm 1.510 1.910 2.410 2.810 3.410
Höhe Hubgerüst ausgfahren h4 mm 1.970 2.370 2.985 3.385 3.915
Gabelhöhe max. h3 mm 1.600 2.000 2.500 2.900 3.500
Deichselhöhe max. h14 mm 1.365 1.390 1.390 1.390 1.390
Gabelhöhe gesenkt h13 mm 90 90 90 90 90
Gesamtlänge l1 mm 1.675 1.825 1.825 1.825 1.825
Vorbaulänge einschl. Gabelrücken l2 mm 522 675 675 675 675
Gesamtbreite b1/b2 mm 794 850 850 850 850
Gabeldicke s mm 60 70 70 70 70
Gabelbreite e mm 150 150 150 150 150
Gabelzinkenlänge l mm 1.153 1.150 1.150 1.150 1.150
Gabelaußenabstand b5 mm 560 560 560 560 560
Bodenfreiheit mit Last m2 mm 20 20 20 20 20
Arbeitsgangbreite bei Palette Ast mm 2.120 2.075 2.075 2.075 2.075
Wenderadius Wa mm 1.344 1.460 1.460 1.460 1.460
Fahrgeschwindigkeit mit/ohne Last km/h 3,7/4,3 4,0/5,0 4,0/5,0 4,0/5,0 4,0/5,0
Hubgeschwindigkeit mit/ohne Last m/s 0,11/0,18 0,09/0,12 0,08/0,12 0,08/0,12 0,08/0,12
Senkgeschwindigkeit mit/ohne Last m/s 0,18/0,18 0,4/0,1 0,4/0,1 0,4/0,1 0,4/0,1
Steigfähigkeit mit/ohne Last % 9/25 5/10 5/10 5/10 5/10
Betriebsbremse   elektrisch elektrisch elektrisch elektrisch elektrisch
Fahrmotor, Leistung kW 0,35 0,5 0,7 0,7 0,7
Hubmotor, Leistung kW 2,2 2,2 2,2 2,2 2,2
Batterie   Starter Starter Starter Starter Starter
Batterieladegerät V/A 24/12 24/12 24/12 24/12 24/12
Batteriespannung V/Ah 24/70 24/70 24/92 24/92 24/92
Art der Fahrsteuerung   Impuls Impuls Impuls Impuls Impuls
Artikel-Nr.   192021784 040044420 040040503 040040504 040044421
Preis* EUR 5.373,39 3.361,05 7.102,92 7.233,49 7.624,32
* PUR...Polyurethan-Rollen, VG...Vollgummi Rollen
Gabelhuchhubwagen PSL Skizze 1 Gabelhuchhubwagen PSL Skizze 2
|  Datenschutz  |  Fachlexikon  |