/head>


| Typ | Preis | |
| Trägerklemme Typ: YC1 | Tragkraft 1000 kg Flanschbreite 75 - 230 mm | 132,44 EUR |
| Trägerklemme Typ: YC2 | Tragkraft 2000 kg Flanschbreite 75 - 230 mm | 154,00 EUR |
| Trägerklemme Typ: YC3 | Tragkraft 3000 kg Flanschbreite 80 - 320 mm | 222,53 EUR |
| Trägerklemme Typ: YC5 | Tragkraft 5000 kg Flanschbreite 80 - 320 mm | 343,42 EUR |
| Trägerklemme Typ: YC10 | Tragkraft 10000 kg Flanschbreite 80 - 320 mm | 659,89 EUR |
| Modell | Artikel-Nr. | Tragkraft | Flanschbreite | Gewicht | Preis* |
| Modell YC 1 | 4025092055154 | 1.000 kg | 75 - 230 mm | 3,8 kg | 132,44 EUR |
| Modell YC 2 | 4025092055161 | 2.000 kg | 75 - 230 mm | 4,6 kg | 154,00 EUR |
| Modell YC 3 | 4025092055192 | 3.000 kg | 80 - 320 mm | 9,2 kg | 222,53 EUR |
| Modell YC 5 | 4025092055208 | 5.000 kg | 90 - 320 mm | 11,0 kg | 343,42 EUR |
| Modell YC 10 | 4025092055215 | 10.000 kg | 90 - 320 mm | 17,2 kg | 659,89 EUR |
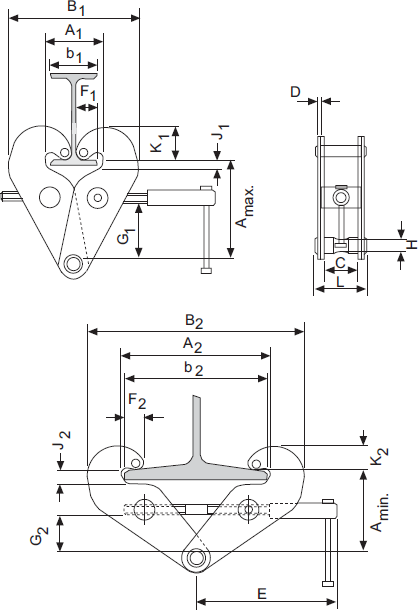
| Modell | YC 1 | YC 2 | YC 3 | YC 5 | YC10 |
| Amin | 115 | 115 | 180 | 180 | 175 |
| Amax | 150 | 150 | 225 | 225 | 220 |
| A1 | 78 | 78 | 80 | 90 | 90 |
| A2 | 246 | 246 | 320 | 310 | 320 |
| B1 | 186 | 186 | 232 | 242 | 268 |
| B2 | 350 | 350 | 455 | 445 | 480 |
| b1 | 75 | 75 | 80 | 90 | 90 |
| b2 | 230 | 230 | 320 | 310 | 320 |
| C | 50 | 50 | 70 | 70 | 70 |
| D | 4 | 6 | 8 | 10 | 14 |
| E | 215 | 215 | 255 | 255 | 275 |
| F1 | 34 | 35 | 35 | 35 | 35 |
| F2 | 17 | 18 | 21 | 21 | 20 |
| G1 | 82 | 82 | 120 | 116 | 110 |
| G2 | 44 | 44 | 75 | 75 | 66 |
| H | 20 | 20 | 22 | 28 | 38 |
| J1 | 14 | 14 | 30 | 30 | 34 |
| J2 | 21 | 21 | 34 | 34 | 35 |
| K1 | 48 | 50 | 60 | 60 | 60 |
| K2 | 31 | 32 | 40 | 42 | 40 |
| L | 84 | 94 | 122 | 129 | 146 |