Top
Home Symbol Pfeil Auswahl Symbol Pfeil Elektroseilzug Mtrac

Elektroseilzug Mtrac in standard Ausführung, hängende Position

Yale - Seildurchlaufwinde Mtrac


Durch die Seildurchlaufwinde Yale Mtrac ®, wird die bekannte Yale Hebezeug Familie um ein neuartiges und höchst flexibles Mitglied erweitert.
Der Vorteil für den Anwender ist eine nahezu unbegrenzte Seillänge bei hohen Geschwindigkeiten und maximalem Einsatzbereich. Zudem wurde bei der Produktentwicklung viel Wert auf eine optimale Mobilität und Flexibilität gelegt. Das Ergebnis ist ein kompaktes und leichtes Gerät, das mit Hilfe seiner ergonomischen Transportgriffe überall schnell eingesetzt werden kann. Zusätzliche Anschraubpunkte am Gehäuse ermöglichen vielfältige Befestigungspositionen und somit einen erweiterten Einsatzbereich.
Die Seildurchlaufwinde ist im Standard mit allen erforderlichen Anschlüssen ausgestattet und kann somit schnell und einfach in Betrieb genommen werden.
Für optimale Effizienz sorgt neben den hohen Geschwindigkeiten und vielfältigen Befestigungsmöglichkeiten der patentierte* sogenannte „Wechselhub“ . Bei Verwendung eines weiteren optionalen Lasthakens am Leerstrang entfällt die Leerfahrt.
Durch die hohe Flexibilität bieten sich vielfältige Einsatzmöglichkeiten für den Anwender z. B. bei Wartungs- und Montagearbeiten auf dem Bau, in Windkraftanlagen, in der Wasserwirtschaft, in der Energieversorgung und in vielen anderen Bereichen in denen Mobilität und Effizienz gefragt sind.
Bedienungsanleitung Elektroseilzug Mtrac
Bedienungsanl.
Ersatzteile Elektroseilzug Mtrac
Ersatzteile
Flyer Elektroseilzug Mtrac
Flyer
Modell YMT 1-15 YMT 3-5 YMTF 0,6-30 YMT 1-30 YMTF 2-10 YMT 3-10
Tragkraft 100 kg 300 kg 66 kg 100 kg 200 kg 300 kg
Betriebsspannung 230 V / 1 Phase / 50 Hz 400 V / 3 Phasen / 50 Hz
Hubgeschwindigkeit 15 m/min 5 m/min 7,5/30 m/min 30 m/min 2,5/10 m/min 10 m/min
Motorleistung 0,37 kW 0,37 kW 0,37/0,09 kW 0,55 kW 0,37/0,09 kW 0,55 kW
Seildurchmesser 6,5 mm 6,5 mm 6,5 mm 6,5 mm 6,5 mm 6,5 mm
Gewicht ca. 24 kg ca. 26 kg ca. 24 kg ca. 24 kg ca. 26 kg ca. 26 kg
Triebwerksgruppe 1Bm/M3 1Bm/M3 1Bm/M3 1Bm/M3 1Bm/M3 1Bm/M3
Einschaltdauer 25 % 25 % 17/33 % 50 % 17/33 % 50 %
Artikel-Nr. 4053981* *977263 *977270 *977300 *977287 *977317 *977294
Preis ohne Seil 2.727,65 EUR 2.895,95 EUR 2.975,00 EUR 2.975,00 EUR 3.257,20 EUR 3.264,00 EUR

/Yale/Elektroseilzug/Elektroseilzug_Mtrac.php
Typ Preis
Seildurchlaufwinde YaleMtrac Typ YMT 1-15Tragfähgikeit 100 kg
Hubgeschwindigkeit 15 m/min, Betriebsspannung 230V 1Ph 50 Hz, inkl. 10 m Lastseil
2.727,65 EUR
Seildurchlaufwinde YaleMtrac Typ YMT 3-5Tragfähgikeit 300 kg
Hubgeschwindigkeit 5 m/min, Betriebsspannung 230V 1Ph 50 Hz, inkl. 10 m Lastseil
2.895,95 EUR
Seildurchlaufwinde YaleMtrac Typ YMTF 0,6-30Tragfähgikeit 66 kg
Hubgeschwindigkeit 30/7,5 m/min, Betriebsspannung 400V 3Ph 50 Hz, inkl. 10 m Lastseil
2.975,00 EUR
Seildurchlaufwinde YaleMtrac Typ YMT 1-30Tragfähgikeit 100 kg
Hubgeschwindigkeit 30 m/min, Betriebsspannung 400V 3Ph 50 Hz, inkl. 10 m Lastseil
2.975,00 EUR
Seildurchlaufwinde YaleMtrac Typ YMTF 2-10Tragfähgikeit 200 kg
Hubgeschwindigkeit 10/2,5 m/min, Betriebsspannung 400V 3Ph 50 Hz, inkl. 10 m Lastseil
3.257,20 EUR
Seildurchlaufwinde YaleMtrac Typ YMT 3-10Tragfähgikeit 300 kg
Hubgeschwindigkeit 10 m/min, Betriebsspannung 400V 3Ph 50 Hz, inkl. 10 m Lastseil
3.264,00 EUR

Lieferumfang der Standardausstattung

  • Tragfähigkeiten von 66 kg bis 300 kg in einsträngiger Ausführung, (bis 600 kg in zweisträngiger Ausführung optional).
  • Steuerschalter (Schutzart IP 65) mit Steuerkabel fertig verdrahtet.
  • 1,0 m Zuleitungskabel mit CEE-Stecker (oder Schuko-Stecker).
  • Drehbarer Traghaken.
  • Schützsteuerung 42 V.
  • Werksseitig montierter Tragegriff mit Kunststoffeinlage.
  • Am Gehäuse montierte lasttragende Stellfüße zum Aufstellen der Winde.
  • Standard-Betriebsspannung 400 V, 3 Ph, 50 Hz oder 230 V, 1 Ph, 50 Hz.
  • Verzinktes und drallarmes 10 m langes Stahlseil (Ø 6,5 mm) mit Sicherheitshaken und abgerundeter, kunststoffbeschichteter Spitze.
  • Zwei Federpuffer mit Stellringen zum Befestigen am Seil.


Zubehör

Das Modell Yale Mtrac verbindet modernes Industriedesign mit technischer Innovation. Bei der Entwicklung wurde der Fokus auf die einfache und sichere Handhabung für mobile Einsatzzwecke gelegt. Durch ein breites Zubehörangebot von Seilen und Konfektionierungen kann die Winde unterschiedlichste Einsatzfälle abdecken, z. B. auf dem Bau, bei Wartungs- und Montagearbeiten in den Bereichen Windkraftanlagen, Wasserwirtschaft, Energieversorgung, Freileitungsbau u. a. Das Zubehörprogramm zum Mtrac
Das Zubehörprogramm zum Mtrac

Tragrahmen

Tragrahmen, zum Schutz/Abstellen/Tragen der Durchlaufwinde, nicht belastbar 181,45 EUR

Seile ohne Haspel

Seil für geführte Lasten, Seil-Ø 6,5 mm, Länge 10 m, mit Spitze und Haken 114,00 EUR
Seil für geführte Lasten, Seil-Ø 6,5 mm, Länge 20 m, mit Spitze und Haken 157,70 EUR
Seil für geführte Lasten, Seil-Ø 6,5 mm, Länge 30 m, mit Spitze und Haken 200,45 EUR
Seil für geführte Lasten, Seil-Ø 6,5 mm, Länge 40 m, mit Spitze und Haken 241,30 EUR
Seil für geführte Lasten, Seil-Ø 6,5 mm, Länge 50 m, mit Spitze und Haken 285,00 EUR
Seil für geführte Lasten, Seil-Ø 6,5 mm, Länge 60 m, mit Spitze und Haken 326,80 EUR
Seil für geführte Lasten, Seil-Ø 6,5 mm, Länge 70 m, mit Spitze und Haken 356,25 EUR
Seil für geführte Lasten, Seil-Ø 6,5 mm, Länge 80 m, mit Spitze und Haken 398,05 EUR
Seil für geführte Lasten, Seil-Ø 6,5 mm, Länge 90 m, mit Spitze und Haken 441,75 EUR
Seil für geführte Lasten, Seil-Ø 6,5 mm, Länge 100 m, mit Spitze und Haken 481,65 EUR


Optional erhältlich ...

Wechselhub

Für den Wechselhub wird am Leerstrang des Seils die Keilseilverbindung mit Haken befestigt. Beide Seilstränge können abwechselnd die Nennlast aufnehmen. Der Wechselhub (auch Pendelhub genannt) wird durch die speziell dafür entwickelte Anpresswippe gewährleistet. Die Wippe ist im Inneren der Winde gelagert und sorgt für einen einwandfreien Verlauf des Seils in der Treibscheibe. Durch ihre Bewegung hin zum belasteten Strang verlängert sie die Anpressfläche des Seils an der Treibscheibe und garantiert durch den somit erzeugten höheren Reibschluss einen sicheren Halt der Last.


Funktionsprinzip des Pendelhubs
Arbeitserleichterung durch Pendelhub

Tragrahmen

Der Tragrahmen kann oben wie unten befestigt werden. Er ist ergonomisch mit Kunsstoffeinlagen gestaltet, die die handfreundliche Handhabung und das Tragen der Winde durch zwei Personen ermöglichen.
Der Tragrahmen kann nicht als lasttragende Komponente verwendet werden und dient ausschließlich dem Schutz des Gehäuses z. B. beim Arbeiten, Lagern, dem sicheren Transport der Winde und/oder dem ergonomischen Tragen. Es können auch zwei Tragrahmen (oben und unten) verwendet werden.

Anbindung an Fahrwerke

Zur Reduzierung der Bauhöhe kann die Yale Mtrac leicht von der Standard-Traghakenanbindung auf eine Anbindung an ein Yale-Fahrwerk ummontiert werden.
In der neben stehenden Abbildung ist der Mtrac mit einem Elektrofahrwerk gekoppelt. Alternativ läßt sich der Mtrac aber auch in Rollfahrwerke HTP oder die Haspelfahrwerke HTG einhaken.


Erhöhen der Tragkraft durch 2-strängige Ausführung

Ist die einfache maximale Nenntragfähigkeit im direkten Zug nicht ausreichend, so kann sie durch Umlenkrollen oder Drahtseilkloben im Flaschenzugprinzip vervielfacht werden. So wird die Last auf mehrere Seilstränge verteilt.
Zur Verdopplung der Tragkraft bietet Yale ein Umbau-Set als Zubehör an, um den Mtrac von 1- auf 2-strängig umrüsten zu können. Das Kit bestehend aus Hakentraverse, zusätzlicher Anschlagfeder, Keilendklemme und Umlenkrolle kann nachträglich montiert werden und bewirkt eine Verdoppelung der Tragkraft bei gleichzeitiger Halbierung der Hubgeschwindigkeit und des Hubweges.
Beim Umlenken des Seils sind folgende Bedingungen zu erfüllen:
  • Eine befähigte Person hat die ausreichende Tragfähigkeit der Umlenkrolle festzustellen.
  • Die Umlenkrolle muss eine Vorrichtung haben, die unbeabsichtigtes Öffnen verhindert.
  • Die Umlenkrolle muss für denselben Temperaturbereich ausgelegt sein wie das Hebezeug.
  • Es dürfen nur Haken mit Sicherheitsbügel verwendet werden.
  • Der Durchmesser der Umlenkrolle muss mindestens das 12fache des Seil-Nenndurchmessers betragen.
  • Die Rillentiefe der Umlenkrolle muss mindestens das 1,5 fache des Seil-Nenndurchmessers betragen.
  • Die Umlenkrolle muss mit einer Seilführungseinrichtung ausgestattet sein, die sicherstellt, dass das Zugseil auch bei Schlaffseilbildung in der Umlenkrollenrille verbleibt.


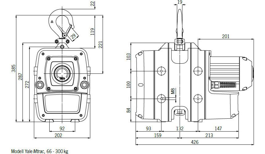
Abmessungen

Maßskizze der Seildurchlaufwinde Mtrac
|  Datenschutz  |  Fachlexikon  |