Anschweißpunkte in Güteklasse 8 (4 fache Sicherheit)
Unser Produkt Anschweißpunkte sind in der sogenannten Kategorie der Güteklasse 8 (rot)
einzuordnen. Diese Ausführung kann der Kunde mit oder ohne Feder beziehen. Farblose Bügel
können wir Ihnen auf Anfrage auch gerne anbieten. Die Typen sind für den Einsatz des Hebens und
Zurrens vorgesehen.
Diese Anschweißpunkte bestehen aus einem vergüteten Legierungsstahl, dem besten Material, das auf
dem europäischen Markt zur Zeit verfügbar ist. Das Anschweissböckchen besteht aus ST52.3
(S355J2G3C) (1.0569).
Selbstverständlich erfüllen die Anschweißpunkte die ab dem Jahr 2010 neu in Kraft getretene
Maschinenrichtlinie 2006-42-EG.
Zu jeder Lieferung erhalten unsere Kunden Hinweise zur Montage, Verwendung und Prüfkontrolle.
Die Qualität des Produktes Anschweißpunkte hat bei uns die oberste Priorität. Dafür kommt
ausschließlich nur eine europäische Produktion in Frage. Materialzertifikate als auch Zertifikate über
Zugversuche bescheinigen Ihnen, dass Sie europäische Qualität kaufen.
Durch das Chargennummersystem kann der Hersteller auch Jahre nach dem Verkauf feststellen, welcher
Kunde welche Teile aus welcher Produktionscharge bekommen hat. Die Rückverfolgbarkeit ist in der
heutigen Zeit ein wichtiges Instrument der Qualitätskontrolle und Qualitätsverbesserung.
Anschweißpunkte Belastungstabelle in kg
| Anschlagart |
1-Strang |
2-Strang* |
3 oder 4-Strang* |
Preis** |
 |
 |
 |
 |
 |
 |
| Typ |
0° |
90° |
0° |
90° |
0°-45° |
45°-60° |
0°-45° |
45°-60° |
|
| 1,12T |
1120 |
1120 |
2240 |
2240 |
1600 |
1120 |
2360 |
1700 |
6,38 EUR |
| 2,00T |
2000 |
2000 |
4000 |
4000 |
2800 |
2000 |
4200 |
3000 |
6,82 EUR |
| 3,15T |
3150 |
3150 |
6300 |
6300 |
4250 |
3150 |
6700 |
4750 |
7,15 EUR |
| 5,30T |
5300 |
5300 |
10600 |
10600 |
7500 |
5300 |
11200 |
8000 |
11,88 EUR |
| 8,00T |
8000 |
8000 |
16000 |
16000 |
11200 |
8000 |
17000 |
11800 |
17,82 EUR |
| 15,00T |
15000 |
15000 |
30000 |
30000 |
21200 |
15000 |
31500 |
22400 |
35,53 EUR |
| 20,00T |
20000 |
20000 |
40000 |
40000 |
28300 |
20000 |
42000 |
30000 |
140,47 EUR |
| 37,50T |
37500 |
37500 |
75000 |
75000 |
52000 |
37500 |
75000 |
56000 |
421,85 EUR |
|
* Bitte berücksichtigen Sie, dass bei mehrsträngigen Anschlagmitteln, die mit unterschiedlichen
Neigungswinkeln der einzelnen Stränge eingesetzt werden oder der Schwerpunkt der Last
ungleichmäßig verteilt ist, ein Anschweisspunkt in der 1 Strangvariante 90 Grad die gesamte Last tragen muss.
|
** exkl. MwSt. zzgl. Versandkosten
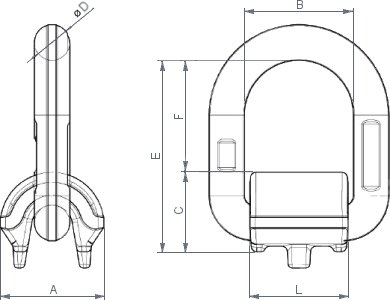
Abmessungen
| Typ |
A |
B |
C |
D |
E |
F |
L |
| mm |
mm |
mm |
mm |
mm |
mm |
mm |
| 1,12T |
38 |
40 |
29 |
13 |
70 |
41 |
36 |
| 2,00T |
40 |
42 |
30 |
14 |
78 |
48 |
38 |
| 3,15T |
42 |
45 |
36 |
17 |
84 |
48 |
43 |
| 5,30T |
60 |
55 |
46 |
22 |
103 |
57 |
50 |
| 8,00T |
70 |
70 |
54 |
26 |
120 |
66 |
65 |
| 15,00T |
90 |
97 |
69 |
34 |
163 |
94 |
90 |
| 20,00T |
90 |
97 |
69 |
34 |
163 |
94 |
90 |
| 37,50T |
275 |
52 |
175 |
170 |
100 |
135 |
140 |